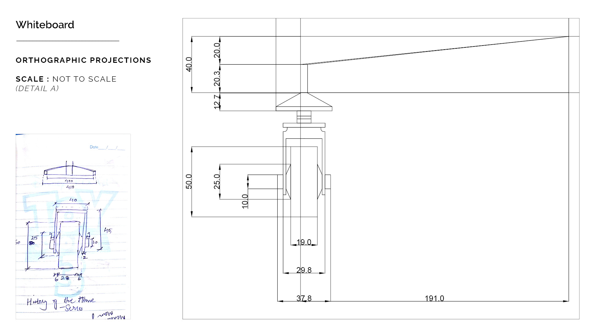
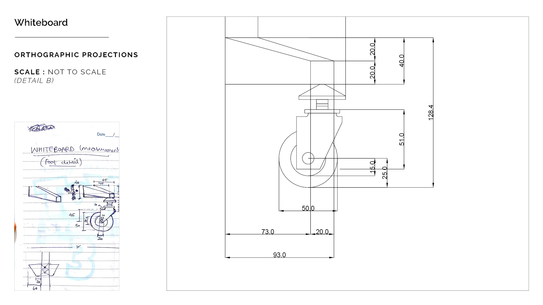
The following is the outcome of a two week course I undertook in Design Communication through AutoCAD, 3DSMax and Keyshot.
We were taught about the industrial 3D modelling pipeline – making 2D plans in AutoCAD, transferring those files in 3DSMax to make 3D models and finally import the model file into Keyshot to obtain High Quality renders.










Leave a comment